Who
How

News
Home > Who > News

System-Level Analysis of Electric Compressor Operating Conditions in Electric Vehicles

2025-08-14
Electric compressors have gradually evolved from traditional air conditioning components into the core components of EV thermal management systems, with increasingly stringent performance requirements. This article analyzes and summarizes the operating environment of electric compressors, aiming to clarify design requirements and highlight key considerations during the design phase.
 

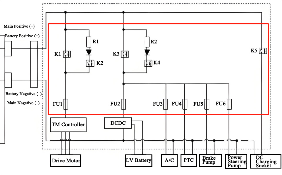
1. Vehicle Electrical Architecture

The electric compressor is powered by electricity. Therefore, the first step is to analyze the vehicle’s electrical architecture. As shown in Figures 1, 2, and 3, the vehicle’s battery system supplies high-voltage power to the electric air conditioning system through the PDU, which mainly contains fuses, a pre-charge circuit, and control relays (Figure 3).
EV High-Voltage Electrical Architecture
Figure 1: EV High-Voltage Electrical Architecture

Connections of High-Voltage Components
Figure 2: Connections of High-Voltage Components

High-Voltage Power and Control Architecture for Electric Vehicles
Figure 3:  High-Voltage Power and Control Architecture for Electric Vehicles

In addition to high-voltage power supply, the compressor also requires low-voltage power (from the 12V battery) and a control bus for logic signal communication. Based on this, the electrical connection diagram of the compressor within the vehicle is organized as follows, along with the corresponding analysis:
Compressor Electrical Interface Diagram in the Vehicle System
Figure 4: Compressor Electrical Interface Diagram in the Vehicle System

◆The PDU has already integrated fuses, pre-charge, and control relays. Therefore, when developing the electric compressor controller, if there are no special requirements from the OEM, these functions can be omitted in the controller design.
◆ As shown in the dashed box on the left, the high-voltage power supply, low-voltage battery supply, and communication control bus are part of the vehicle’s shared network. Therefore, at the compressor’s interface to these three systems, electromagnetic interference (EMI) must be considered to avoid affecting the vehicle’s shared buses.
The compressor requires both high-voltage and low-voltage power supplies, which raises the issue of power-up and power-down sequencing—i.e., which voltage should be powered up or down first. This must align with the OEM’s control strategy and should be thoroughly validated during the design and development stage to prevent malfunctions or failures during power transitions.
◆ Insulation and dielectric strength: Modern vehicles are equipped with insulation monitoring modules that continuously check the insulation resistance between the high-voltage battery system and the vehicle chassis. If an abnormality is detected, the system will take protective action. Therefore, when designing the compressor’s supporting controller, attention must be paid to the electrical clearance between the high-voltage circuits and PCB, and between the housing (grounded to the vehicle chassis) and live components. Adequate clearance improves both insulation performance and dielectric withstand capability.
On-Board Insulation Monitoring Module
Figure 5: On-Board Insulation Monitoring Module
 
R: Effective insulation resistance of high-voltage circuit positive or negative to vehicle chassis Leakage Status System Measures
R > 500 Ω/V Normal  None
100 Ω/V < R ≤ 500 Ω/V  General leakage warning Instrument panel light on, reports power system fault. [Some models disable energy recovery function]
R ≤ 100 Ω/V Severe leakage warning While driving  Instrument panel light on, main contactor open (some models: no power cutoff if speed ≥ 2 km/h)
While stopped Power prohibited, instrument panel light on, power system fault
While charging Charging contactor and main contactor open, instrument panel light on, power system fault
Table 1: Leakage Current Evaluation Criteria
 

2. High- and Low-Temperature Environments

The compressor is typically located in the engine bay, where ambient temperature varies significantly with the seasons, imposing different functional requirements.
◆ Summer: The engine bay temperature can be very high—often reaching 80°C or more. This requires the compressor to have a high maximum operating temperature and sufficient heat dissipation capacity. Although the compressor has its own cooling capability, if an overtemperature fault occurs before the system becomes effective, the compressor will shut down and will be unable to cool the controller. This makes summer the season with the highest compressor failure rate.
◆ Winter: The refrigerant oil inside the compressor becomes more viscous at low temperatures, increasing mechanical resistance. Therefore, the compressor must have sufficient startup capability under these conditions.
 

3. Compressor Startup

Compressor performance differs between cold start and hot start conditions.
◆ Cold start (vehicle stationary, compressor not operating): Discharge pressure is low, so startup should be smooth, without noticeable noise or fluctuations in motor speed. In some cases, designs optimized for heavy-load starting may cause vibration or speed fluctuations under light-load or cold-start conditions, which negatively affects user experience.
◆ Hot start: Discharge pressure is high (especially when refrigerant is overcharged or there is partial blockage in the system, or insufficient condenser cooling). The compressor must be capable of heavy-load startup in these conditions.
 

4. Air Conditioning System / Thermal Management System

The compressor has evolved from being solely an air conditioning component to a core element of the vehicle’ thermal management system. In addition to traditional cabin cooling, it now participates in battery thermal management and motor cooling, making it a key part of the overall thermal management strategy. As a result, the following changes have occurred:
◆ Higher speeds: To increase cooling capacity without changing displacement, the motor’s maximum operating speed has risen significantly, now typically reaching 6000–8000 rpm.
◆ Larger displacement: As the vehicle’s thermal management demands grow, compressor displacement has also increased. Common displacements are now 34 cc, 55 cc, and 66 cc. Click to see technical information on Guchen 66CC 600V Electric Compressor for BTMS
 

5. New Refrigerants

The shift toward environmentally sustainable refrigerants in electric vehicle (EV) compressors is gaining momentum due to global concerns over greenhouse gas emissions and climate change. Traditionally, EV compressors have relied on R134a (Tetrafluoroethane), a hydrofluorocarbon refrigerant known for its non-toxic, non-flammable properties and zero ozone depletion potential (ODP). However, its high global warming potential (GWP) of 1430 has prompted the industry to explore alternatives like R290 (propane), a hydrocarbon refrigerant with a significantly lower environmental impact.
The following table compares the key properties of R290 and R134a:
Properties  R290+ (Propane)  R134a+ (Tetrafluoroethane)
Chemical Composition Hydrocarbon (Natural Refrigerant)  Hydrofluorocarbon
ODP+ (Ozone Depletion Potential) 0 0
GWP+ (Global Warming Potential) 3 1430
Flammability High (A3 Level*)  Non-flammable
Cooling Efficiency High Low

R290 offers compelling advantages for EV compressors, including a near-zero GWP of 3 and superior cooling efficiency compared to R134a. These properties make it an attractive choice for reducing the carbon footprint of EV air conditioning systems while enhancing performance. However, the high flammability of R290 (classified as A3 level) introduces significant challenges for compressor and controller development. To safely integrate R290, manufacturers must design compressors with enhanced safety features, such as robust sealing mechanisms and advanced leak detection systems, to mitigate risks associated with its flammability. Additionally, controllers must be optimized to handle R290’s unique operating conditions, ensuring precise regulation of pressure and temperature to maintain efficiency and safety.
The adoption of R290 necessitates innovation in compressor design, including materials compatible with hydrocarbons and systems capable of managing higher thermal loads due to R290’s superior cooling efficiency. These advancements align with global sustainability goals but require careful engineering to balance performance, safety, and environmental benefits. As the industry transitions away from R134a, R290-based electric compressors are poised to play a pivotal role in the next generation of eco-friendly EV air conditioning systems.
 

Without understanding the overall picture, it is impossible to optimize individual components. Only by thoroughly analyzing the compressor’s operating environment within the vehicle can we design a product that is both reasonable and reliable.
Inquiry
Your name :
* Your mail :
Your tel :
Your company :
Your country :
*Your inquiry :
Related Products
Copyright: 1997-2024 Guchen Industry All rights reserved.